Analog Komparator
-
vgl. OpAmp: die Differenzspannung am Eingang ist ungleich Null, die Verstärkung unendlich, trotzdem gehen die Transistoren nicht in Sättigung => schnell
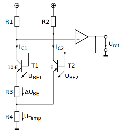
Bandgap Referenz
-
pn-Übergang verliert Spannung bei Temperaturerhöhung: -2mV/K (CTAT complementary to absolute temperature)
-
bei geringer Stromdichte ist die Abnahme geringer d.h. die Spannung am PN-Übergang steigt im Vergleich zu einer Vergleichsdiode (PTAT proportional to absolute temperature)
-
unterschiedliche Stromdichte wird erreicht durch Parallelschalten von Transistoren
-
bei geeigneter Dimensionierung kompensiert sich PTAT und CDAT
Transmission Gate (Analog Switch)
-
Vorteil: guter Kurzschluss für Eingangssignale zwischen VSS und VDD
-
Ein- und Ausgang vertauschbar
-
kann hochohmig geschaltet werden (Schalter geöffnet)
-
„Analog Switch“ ist ein optimiertes Transmissiongate für analoge Signale (wenig Verzerrungen beim Durchschalten wenn p- von n-Kanal übernimmt)
Blockschaltbild
Ausgabe: ACO = 1 sagt: „Input ist kleiner als die Referenz“
Einstellungsmöglichkeiten
-
Positiver Input: Bandgap Voltage Reference oder AIN0 als Referenz
mit AC verbinden (ACBG) -
Negativer Input: Multiplexer
negativer Input wahlweise von Pin AIN1 oder von ADC Eingängen (beim ATMEG 328 sind nur die Eingänge ADC0..7); dies ist aber nur möglich, wenn der ADC (AD-Umsetzer) nicht verwendet wird (ADEN=0) -
Input Capture aktivieren (ACIC)
-
Interrupt-Ereignis/Capture: fallende/steigende Flanke/Toggle (ACIS0/ACIS1)
-
Disable Digital Input Buffers
für AC0/AC1 werden die digitalen Puffer nicht benötigt, abschalten spart Strom
DIDR1 = _BV(AIN0D) | _BV(AIN1D); -
wenn das Capture Ereignis ausgelöst wurde, wird der Zählerstand von Timer1 in das Input Capture Register ICR1 gespeichert.












