Ersatzquelle Beispiel
Die folgende Schaltung soll als reale Quelle realisiert werden, d.h. durch eine Quelle, die sich an den Klemmen gleich verhält wie diese Schaltung. Dazu muss der Kurzschlussstrom und der Innenwiderstand bzw. die Leerlaufspannung gleich sein.
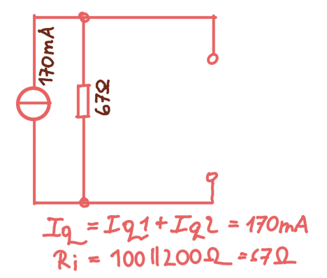
1. Schritt: Umwandeln der beiden parallel geschalteten realen Spannungsquellen in reale Stromquellen
2. Zusammenschalten der Quellen und Widerstände










