HOME
>>
Elektronik
>>
HWE
Tafelbilder HWE und FTKL 1. Klasse
Beispiel Ersatzquelle
Ersatzquelle mit LTSpice
Lehrplan HWE
Strom und Spannungsteiler 1
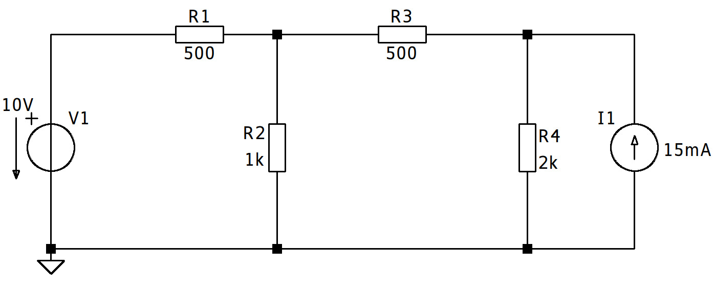
Superposition/ Überlagerungsprinzip
Hardware Entwicklung HWE
Tafelbilder
Lehrplan
Grundlagenwissen
Komparator (bipolar)
Komparator LM393
Sa, 22. Jan 2022 17:55:32
LTSpice: Superposition Beispiel mit 2 Quellen