Ersatzquelle in LTSpice

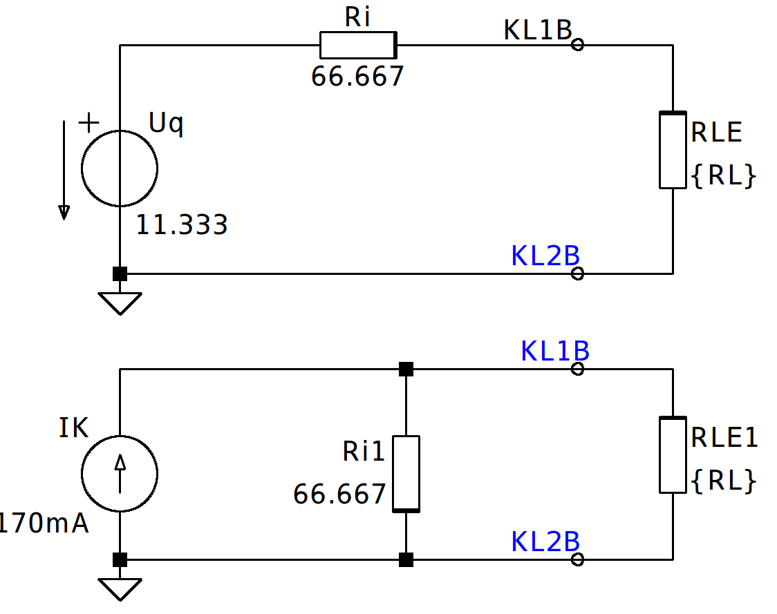
In einem Netzwerk soll ein Widerstand oft verändert werden. Um die Berechnung zu vereinfachen, wird dieser Widerstand als Lastwiderstand behandelt und das restliche Netzwerk als reale Quelle gesehen. Wenn an den Klemmen KL1/KL2 die gleichen Ströme und Spannungen liegen wie an KL1B/KL2B, dann kann man das komplizierte Netz durch eine Quelle und den Innenwiderstand ersetzen.  

Simulation: für den Lastwiderstand RL wird einmal ein Kurzschluss und ein anderes Mal ein Leerlauf simuliert und daraus der Innenwiderstand Ri = UL/IK berechnet.

Image3

Die Widerstände können nicht 0 oder Unendlich sein, daher wird mit den Werten 1p und 1G gearbeitet. Die Ergebnisse des .measure Befehls können im Menüpunkt [View/Spice Error Log]  aufgerufen werden.

Image1

Image2

Das Ergebnis: Wahlweise eine Ersatzspannungsquelle oder eine Ersatzstromquelle.

Image4